今回製作する真空管アンプは依頼品。LK460を使ったシングルアンプを製作してほしいとのこと。

LK460は直熱3極管で類似管はRE604、フィラメント4V0.65A、Ep max=250V、Ip max=40mA、rp=1.3kΩ、μ=3.5、Pp max=10Wとなっている。RL=3.5kΩでの出力は1.7Wとなっている。米国球では45に近い感じ。

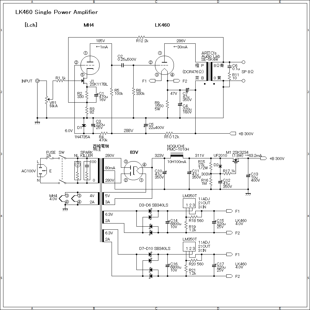
電圧増幅段にはVR37(MH4)、傍熱3極管でヒーター4.0V1A、μが40だから1本使いではアンプとしての利得が低くなってしまうのでFETの助けを借りた。

+Bの整流には83Vを使う。傍熱整流管でヒーター5V2A、プレート最大400Vrms、電流は200mA取れる。

OPTはARITO's Audio LabのSE-5K4Wを使用する。インダクタンスが大きめなのと、高域特性が素直なのでNFBをかけても不安定になりにくい。

本機の回路図を上記に示す。電圧増幅段は2SK117BLとMH4のカスコードとし、カップリングコンデンサを介してLK460をA級でドライブする。依頼者様はLK460以外の出力管をお持ちのようで、タマ転がしをされることからフィラメント電源に3端子レギュレータを使った定電圧電源とした(フィラメント電流が異なる)。外観と特性を両立させるため+B電源には整流管とチョークで構成、FETリプルフィルタをつかった。

諸特性を上記に示す。歪率5%での出力は2Wとなった。LK460のプレート電流は30mAで設計したが、実測は28mA~29mAで動作している。この状態でサイン波をオシロ観測したところ、上下が同時にクリップするのでOKとした。NFBは8dBかかっているが、良好な音質が得られている。
残留ノイズは0.024mVと拙作の真空管アンプとしては最低のレベル。これだけ低いとエアコンをかけない防音を施した部屋で、スピーカーに耳を近づけても本当何も聞こえない。故障してないか心配になるほど。

LchのNFB前後の周波数特性。

RchのNFB前後の周波数特性。

NFB後の周波数特性。

クロストーク特性。20Hz~20kHzでは-65dB以下となった。

Lchの歪率特性。

Rchの歪率特性。

[10kHz方形波、ダミーロード8Ωでの出力2Vp-p、100mV/div(プローブ10:1)、20μS/div]
SP端子に0.047μF~0.47μFのコンデンサをつないで方形波観測し、リンギングは生じるがダミーロードをオンオフしても発振には至らず。
使用機材
ファンクションジェネレータ GW Instek AFG-2005
ミリボルトメータ LEADER LMV-181B
デジタルオシロスコープ IWATSU DS-5105B
オーディオアナライザ Panasonic VP-7721A
ANALOG DISCOVERY 2
PC Lenovo ThinkPad E14 OS Windows11 Home 25H2

レイアウト図を上記に示す。アルミシャーシは株式会社奥澤のO-40(W330mm×D220mm×H50 t=1.5mm)。LK460は代わりにPX4の初期のドーム型を挿しても隣のMH4との間隔を保てるようにしてある。

塗装は依頼者様のご要望でホワイトパールとした。本塗装が下塗りと上塗りに分かれており3コートと呼ばれている。ホルツの製品の中からカラーナンバー070をチョイス。プラサフは淡色用のホワイトにした。下塗りにはトヨタのホワイトパールマイカT-96、上塗りにはA-12、上地にクリアA-4を購入。

シャーシの穴開けは自分で行い、塗装後は磨き仕上げとした。
いつものとおりブツ撮りをしたので掲載。

塗色がホワイトパールということで、LED照明下でも明度が高く見える。











シャーシ内部。CR類は基本的に平ラグに乗せた。チョークの配線が輪をかいているのは短くしたくなかったから。

3階の自室で試聴する。クリアで音場感に優れておりスケール感がある。聴いていると「至高の音」とか「究極の真空管アンプの音」という言葉が浮かんでくる。駄耳の私が感じることだから信用しないように。