おんにょの真空管オーディオ

おんにょの真空管オーディオ

古(いにしえ)の真空管を使った好音質のアンプで音楽を聴きましょう。(お約束事) 追試は歓迎しますが自己責任でお願いします。

2015-07-13から1日間の記事一覧

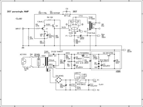
3B7パラシングルアンプ・試作機の最終回路

ゴチャゴチャ回路をいじったので、現時点での回路を試作機の最終版として残しておくことにした。3B7のカソード電圧は試聴を続けていても安定しており、Ipが減るようすは無い。 +B1用の回路を左右チャンネル独立に2回路としたのが大きな変更点。また、C4・C6…