おんにょの真空管オーディオ

おんにょの真空管オーディオ

古(いにしえ)の真空管を使った好音質のアンプで音楽を聴きましょう。(お約束事) 追試は歓迎しますが自己責任でお願いします。

2017-05-17から1日間の記事一覧

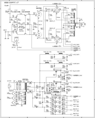
6550 CSPPアンプ・ダブルチョークに変更

前回は+BにFETリプルフィルタを追加したわけなのだが、回路が複雑になるのがどうも気に入らなかった。そこでチョークを追加してリプルを減らしたらどうなるのか試してみることにした。 回路図を上記に示す。C21とC23は手持ちがあったので100uFとした。チョー…